产品类别
称重测力传感器
压力传感器及变送器
速度及加速度传感器
料/液位计
位移传感器
扭矩传感器
温湿度传感器,变送器
显示控制仪表
记录仪
整列机
测力系统
微粒子检测仪
激光器
流量传感器/开关
陀螺仪
引伸计
频闪仪
变送器/放大器/接线盒
变频器
编码器
试验机
数据采集器
角度传感器
声级计
振动计
多通道分析仪
流量计
电子衡器
实验室设备
水分分析仪
质量流量计
测试分析系统
模块型仪表
静电纺丝机
高速数据采集卡
Tinius Olsen测试设备
试验机
信号调理器
Sirius数据采集系统
切割设备
三维扫描仪
示波器
水听器
功率放大器
安全保持器
温度计监视器
振动增幅器
人像表面温度热像仪
温度检查器
红外线 辐射温度仪
红外多分析仪
FC评价试验装置
电缆
加速度传感器
碳气溶胶组分在线分析系统
黑碳仪
接线盒
显示器
隔离器/转换器
打印机
拧紧机
液氮罐
联系方式
电话:0755-26738591
传真:0755-26998440
邮箱:sales@octsources.com
地址:深圳市南山区虹步路39号大习科创大厦5F
PCL-50KPA压力传感器
PCL-50KPA压力传感器
产品品牌:日本NTS压力传感器
产品名称:日本NTS压力传感器PCL
量程:50KPA
技术特点:
低压区压力传感器,对于动态的微压能够准确检测,故常用于泄露设备压力检测。
NTS压力传感器PCL是本公司的重点优势产品之一,拥有绝对优势价格,现货、原装、正品、可靠!保证满意价格质量!
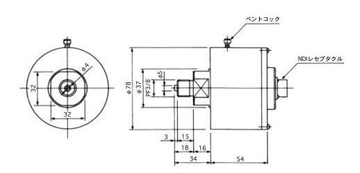
NTS压力传感器PCL外形尺寸:
日本NTS压力传感器PCL技术参数:
量程:……………………………………… 50KPA
灵敏度:……………………………………… 1.5mV/V±1%
非直线性:………………………………………… 0.5%R.O.
滞后:……………………………………………….. 0.5%R.O.
推荐电压:…………………………………… 5V
允许最大电压:…………………………………… 10V
输出阻抗:…………………………………… 約350Ω
温度补偿范围:………………………………… -10~+60℃
允许过载:…………………………………… 120%R.C.
标准电缆:…………………………………………φ6,4芯屏蔽电缆3米
以上是NTS压力传感器PCL详细信息,如果您对日本NTS压力传感器PCL的价格、厂家、型号、图片有什么疑问,请联系我们获取价格、产品资料、图片、货期、发货方式、技术参数等。
NTS压力传感器PCL销售及售后服务
订购方便,享受全国当地个性化支持,实施三包政策。
三个月内不满意随时无条件退换货,退还全部货款,不收任何费用。
质保一年,三年内免费维护。
全天24小时的客户支持,上门服务或网上技术支持。








称重传感器 