产品类别
称重测力传感器
压力传感器及变送器
速度及加速度传感器
料/液位计
位移传感器
扭矩传感器
温湿度传感器,变送器
显示控制仪表
记录仪
整列机
测力系统
微粒子检测仪
激光器
流量传感器/开关
陀螺仪
引伸计
频闪仪
变送器/放大器/接线盒
变频器
编码器
试验机
数据采集器
角度传感器
声级计
振动计
多通道分析仪
流量计
电子衡器
实验室设备
水分分析仪
质量流量计
测试分析系统
模块型仪表
静电纺丝机
高速数据采集卡
Tinius Olsen测试设备
试验机
信号调理器
Sirius数据采集系统
切割设备
三维扫描仪
示波器
水听器
功率放大器
安全保持器
温度计监视器
振动增幅器
人像表面温度热像仪
温度检查器
红外线 辐射温度仪
红外多分析仪
FC评价试验装置
电缆
加速度传感器
碳气溶胶组分在线分析系统
黑碳仪
接线盒
显示器
隔离器/转换器
打印机
拧紧机
液氮罐
联系方式
电话:0755-26738591
传真:0755-26998440
邮箱:sales@octsources.com
地址:深圳市南山区虹步路39号大习科创大厦5F
扭矩传感器MF-100000N·m
扭矩传感器
MF系列(100N·m–100000N·m)
MF-100N·m
MF-200N·m
MF-500N·m
MF-1000N·m
MF-2000N·m
MF-4000N·m
MF-5000N·m
MF-8000N·m
MF-10000N·m
MF-16000N·m
MF-20000N·m
MF-25000N·m
MF-32000N·m
MF-50000N·m
MF-64000N·m
MF-100000N·m
优点/应用
l 用于静态和动态的力矩
l 非旋转结构
l 负载达到额定负载的100 %时, 依然保持高耐疲劳性
l 强大的抗侧向力和弯矩
l 组装容易, 且有多种组装可能性
选项/配件
l 固定电缆连接可以选择直的或弯的
l 第二测量电桥
技术参数100–5000N·m
|
额定扭矩 |
M nom |
N·m |
100 200 |
500 |
1000 |
2000 |
4000 |
5000 |
|
准确度级别/精度 |
|
|
0,05 |
|||||
|
扭矩测量范围 |
|
% |
1 - 100 |
|||||
|
直线度误差 |
d lin |
% |
0,05 |
|||||
|
插值误差 |
f c |
% |
0,5 |
|||||
|
滞后 |
h |
% |
0,05 |
|||||
|
进回程误差 |
v |
% |
0,2 |
|||||
|
再现性 |
|
% |
0,005 |
|||||
|
蠕变 |
|
% |
0,025 |
|||||
|
温度对特征值的影响(每10K) |
TK C |
%/10 K |
0,04 |
|||||
|
温度对零点的影响(每10K) |
TK 0 |
%/10 K |
0,025 |
|||||
|
弯矩影响 |
|
%/N·m |
2·10-4 |
4·10-5 |
2·10-5 |
1·10-5 |
5·10-6 |
4·10-6 |
|
侧向力影响 |
|
%/kN |
5·10-2 |
2·10-2 |
1·10-2 |
7·10-3 |
5·10-3 |
5·10-3 |
|
额定特征值 |
C nom |
mV/V |
1,6 |
|||||
|
特征值公差 |
d c |
% |
0,2 |
|||||
|
|
d S,0 |
% |
0,5 |
|||||
|
输入电阻 |
R e |
Ω |
560 - 650 |
|||||
|
输出电阻 |
R a |
Ω |
400 - 500 |
|||||
|
绝缘电阻 |
R is |
Ω |
>109 |
|||||
|
激励电压的操作范围 |
B U, G |
V |
5 - 12 |
|||||
|
保护等级(IP编号, 依据DIN EN 60529) |
|
|
IP 64 |
|||||
|
额定扭转角度 |
j nom |
rad |
0,0047 |
0,0046 |
0,0052 |
0,0028 |
0,002 |
|
|
扭转刚度 |
c T |
N·m/rad |
2,0E+05 |
1,1E+05 |
2,0E+05 |
7,2E+05 |
1,8E+06 |
|
|
质量 |
m |
kg |
3 |
5 |
10 |
|||
|
相对运动质量 |
m mess |
kg |
1 |
1,7 |
3 |
|||
|
允许振动应力 |
|
% |
100 |
|||||
|
极限扭矩 |
|
% |
150 |
|||||
|
破断扭矩 |
|
% |
>300 |
|||||
|
额定温度范围 |
B T, nom |
°C |
10 - 60 |
|||||
|
工作温度范围 |
B T, G |
°C |
-40 - 120 |
|||||
电缆连8–100kN·m
|
额定扭矩 |
M nom |
N·m |
8000 |
10000 |
16000 20000 |
25000 32000 |
50000 |
64000 |
100000 |
|||||
|
准确度级别/精度 |
|
|
0,05 |
|||||||||||
|
扭矩测量范围 |
|
% |
1 - 100 |
|||||||||||
|
直线度误差 |
d lin |
% |
0,05 |
|||||||||||
|
插值误差 |
f c |
% |
0,5 |
|||||||||||
|
滞后 |
h |
% |
0,05 |
|||||||||||
|
进回程误差 |
v |
% |
0,2 |
|||||||||||
|
再现性 |
|
% |
0,005 |
|||||||||||
|
蠕变 |
|
% |
0,025 |
|||||||||||
|
温度对特征值的影响(每10K) |
TK C |
%/10 K |
0,04 |
|||||||||||
|
温度对零点的影响(每10K) |
TK 0 |
%/10 K |
0,025 |
|||||||||||
|
弯矩影响 |
|
%/N·m |
2,5·10-6 |
2·10-6 |
1,25·10-6 |
6,25·10-7 |
4·10-7 |
3,125·10-7 |
||||||
|
侧向力影响 |
|
%/kN |
3·10-3 |
2,5·10-3 |
2·10-3 |
1·10-3 |
8·10-4 |
7·10-4 |
||||||
|
额定特征值 |
C nom |
mV/V |
1,6 |
|||||||||||
|
特征值公差 |
d c |
% |
0,2 |
|||||||||||
|
|
d S,0 |
% |
0,5 |
|||||||||||
|
输入电阻 |
R e |
Ω |
560 - 650 |
|||||||||||
|
输出电阻 |
R a |
Ω |
400 - 500 |
|||||||||||
|
绝缘电阻 |
R is |
Ω |
>109 |
|||||||||||
|
激励电压的操作范围 |
B U, G |
V |
5 - 12 |
|||||||||||
|
保护等级(IP编号, 依据DIN EN 60529) |
|
|
IP 64 |
|||||||||||
|
额定扭转角度 |
j nom |
rad |
0,0025 |
0,0036 |
0,0045 |
1) |
||||||||
|
扭转刚度 |
c T |
N·m/rad |
3,1E+06 |
4,5E+06 |
8,8E+06 |
1,4E+07 |
1) |
|||||||
|
质量 |
m |
kg |
15 |
25 |
40 |
65 |
1) |
|||||||
|
相对运动质量 |
m mess |
kg |
4 |
6 |
10 |
16 |
1) |
|||||||
|
允许振动应力 |
|
% |
100 |
|||||||||||
|
极限扭矩 |
|
% |
150 |
|||||||||||
|
破断扭矩 |
|
% |
>300 |
|||||||||||
|
额定温度范围 |
B T, nom |
°C |
10 - 60 |
|||||||||||
|
工作温度范围 |
B T, G |
°C |
-40 - 120 |
|||||||||||
电缆连接
|
|
固定电缆连接,敞开式终端 |
|
|
灰色电缆护套 Ø 6.5 mm 双绞线, 3 x 2 x 0,25 mm² 温度范围:-35 °C 至 +90 °C |
||
|
连接 |
|
导线颜色 |
|
电源电压(+) |
Uin+ |
蓝色 |
|
电源电压(-) |
Uin- |
黑色 |
|
测量信号(+) |
Uout+ |
白色 |
|
测量信号(-) |
Uout- |
红色 |
|
传感器电缆(+) |
Sense+ |
绿色 |
|
传感器电缆(-) |
Sense- |
灰色 |
|
屏蔽 |
|
黄色 |
l 线缆直线连接,或者90度连接
l 可定更多线缆类型和线缆长度
l 线缆接口可选类型: D-Sub 9 pol ;D-Sub 15pol ; M-S 7pol ;LEMO Series1 7pol
l 也可根据客户特殊需求定制接口形式
选项:第二测量电桥
l 有两个测量电桥时, 技术参数同样适用于该两个测量电桥
l 可根据需求选择电缆输出的位置
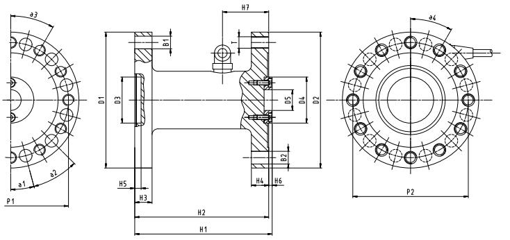
尺寸图片











称重传感器 