产品类别
称重测力传感器
压力传感器及变送器
速度及加速度传感器
料/液位计
位移传感器
扭矩传感器
温湿度传感器,变送器
显示控制仪表
记录仪
整列机
测力系统
微粒子检测仪
激光器
流量传感器/开关
陀螺仪
引伸计
频闪仪
变送器/放大器/接线盒
变频器
编码器
试验机
数据采集器
角度传感器
声级计
振动计
多通道分析仪
流量计
电子衡器
实验室设备
水分分析仪
质量流量计
测试分析系统
模块型仪表
静电纺丝机
高速数据采集卡
Tinius Olsen测试设备
试验机
信号调理器
Sirius数据采集系统
切割设备
三维扫描仪
示波器
水听器
功率放大器
安全保持器
温度计监视器
振动增幅器
人像表面温度热像仪
温度检查器
红外线 辐射温度仪
红外多分析仪
FC评价试验装置
电缆
加速度传感器
碳气溶胶组分在线分析系统
黑碳仪
接线盒
显示器
隔离器/转换器
打印机
拧紧机
液氮罐
联系方式
电话:0755-26738591
传真:0755-26998440
邮箱:sales@octsources.com
地址:深圳市南山区虹步路39号大习科创大厦5F
产品类别 > 轮辐(圆饼)式称重传感器 > K-630kN力传感器
K-630kN力传感器
K-630kN力传感器
K-630kN力传感器
K-4kN,K-5kN,K-6.3kN,K-10kN,K-20kN,K-25kN,K-40kN,K-50kN,K-63kN,K-100kN,K-150kN,K-160kN,K-200kN,K-250kN,K-400kN,K-500kN,K-630kN
优点/应用
l 用于静态和动态的拉向力和压向力
l 负载达到额定负载的80%时, 依然保持高耐疲劳性
l 气密密封设计
l 抗干扰力和干扰力矩
l 能测得很微小的力
l 组装容易, 且有多种组装可能性
选项/配件
l 可选的固定电缆连接或插入式连接
l 第二测量电桥-在不同载波频率信道间没有串线
l 弯矩测量电桥
l 与M系列的拉扭组合
l 扩展的温度范围
l 拉伸和压缩的安装组件
|
名义力值 压向/拉向 |
± F nom |
kN |
4 5 6,3 |
10 20 25 |
40 50 63 |
100 |
150 |
160 |
200 250 |
400 500 |
630 |
|||||||||||||
|
准确度级别/精度 |
|
|
0,02 |
0,03 |
0,05 |
|||||||||||||||||||
|
力测量范围 |
|
% |
1 - 100 |
|||||||||||||||||||||
|
直线度误差 |
d lin |
% |
0,02 |
0,03 |
||||||||||||||||||||
|
插值误差 |
f c |
% |
0,4 |
|||||||||||||||||||||
|
滞后 |
h |
% |
0,02 |
0,03 |
0,05 |
0,08 |
||||||||||||||||||
|
进回程误差 |
v |
% |
0,2 |
|||||||||||||||||||||
|
再现性 |
|
% |
0,003 |
|||||||||||||||||||||
|
蠕变 |
|
% |
0,025 |
|||||||||||||||||||||
|
温度对特征值的影响(每10K) |
TK C |
%/10 K |
0,04 |
|||||||||||||||||||||
|
温度对零点的影响(每10K) |
TK 0 |
%/10 K |
0,025 |
|||||||||||||||||||||
|
偏心率影响 |
|
%/mm |
0,015 |
|||||||||||||||||||||
|
弯矩影响 |
|
%/N·m |
0,003 |
|||||||||||||||||||||
|
侧向力影响 |
|
%/(0,1·Fnom ) |
0,02 |
|||||||||||||||||||||
|
扭矩影响 |
|
%/(mm·Fnom ) |
0,005 |
|||||||||||||||||||||
|
拉向力/压向力特征值的差异 |
d ZD |
% |
0,07 |
0,1 |
||||||||||||||||||||
|
额定特征值 |
C nom |
mV/V |
2 |
1 ; 2 |
2 |
1 |
1 ; 2 |
2 |
||||||||||||||||
|
特征值公差 |
d c |
% |
0,2 |
|||||||||||||||||||||
|
零点误差 |
d S,0 |
% |
0,5 |
|||||||||||||||||||||
|
输入电阻 |
R e |
Ω |
1000 - 1200 |
1100 - 1400 |
1100 - 1200 |
1200 - 1500 |
1000 - 1200 |
1100 - 1500 |
||||||||||||||||
|
输出电阻 |
R a |
Ω |
900 - 1000 |
900 - 1200 |
900 - 1100 |
1000 - 1200 |
800 - 1000 |
900 - 1100 |
1000 - 1200 |
|||||||||||||||
|
绝缘电阻 |
R is |
Ω |
> 109 |
|||||||||||||||||||||
|
激励电压的操作范围 |
B U, G |
V |
5 - 20 |
|||||||||||||||||||||
|
保护等级(IP编号,依据DIN EN 60529) |
|
|
501) ; 682) |
|||||||||||||||||||||
|
名义力 压向 /拉向 |
± F nom |
kN |
4 5 6,3 |
10 20 25 |
40 50 63 |
100 |
150 |
160 |
200 250 |
400 500 |
630 |
|||||||||||||
|
额定位移 |
s nom |
mm |
0,093 0,08 0,086 |
0,071 |
0,12 |
0,15 |
0,16 |
0,19 |
0,21 |
0,32 |
||||||||||||||
|
弹性体刚度 |
c ax |
kN/mm |
43 70 73 |
140 280 350 |
560 700 890 |
830 |
1000 |
1050 1300 |
1900 2400 |
2000 |
||||||||||||||
|
质量 |
m |
kg |
0,5 |
1 |
1,2 |
3,7 |
10,4 |
20 |
31 |
|||||||||||||||
|
相对运动质量 |
m mess |
kg |
0,12 |
0,22 |
0,35 |
0,8 |
2,4 |
4 |
5 |
|||||||||||||||
|
基波谐振频率 |
f G |
kHz |
3 3,5 4 |
4 |
6,8 |
5 |
3,7 |
4 |
3 |
|||||||||||||||
|
允许振动应力 |
|
% |
± 80 |
|||||||||||||||||||||
|
极限力 |
|
% |
150 |
|||||||||||||||||||||
|
破断力 |
|
% |
300 |
|||||||||||||||||||||
|
极限侧向力 |
|
% |
100 |
|||||||||||||||||||||
|
允许偏心率 |
e G |
mm |
10 |
15 |
20 |
25 |
||||||||||||||||||
|
极限弯矩 |
M b zul |
N·m |
0,25 |
0,4 |
1 |
3,5 |
5 |
10 |
20 |
|||||||||||||||
|
额定温度范围 |
B T, nom |
°C |
10 – 60 |
|||||||||||||||||||||
|
工作温度范围 |
B T, G |
°C |
-40 - +120 |
|||||||||||||||||||||
固定电缆连接,敞开式终端
l 灰色电缆护套
l Ø 6.5 mm
l 双绞线, 3 x 2 x 0,25 mm²
l 温度范围:-35 °C 至 +90 °C

|
连接 |
导线颜色 |
|
|
电源电压(+) |
U in+ |
蓝色 |
|
电源电压(-) |
U in- |
黑色 |
|
测量信号(+) |
Uout+ |
白色 |
|
测量信号(-) |
Uout- |
红色 |
|
传感器电缆(+) |
Sense+ |
绿色 |
|
传感器电缆(-) |
ense- |
灰色 |
|
屏蔽 |
黄色 |
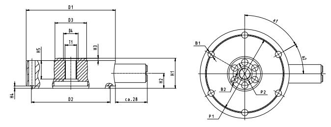
尺寸图:









称重传感器 