产品类别
称重测力传感器
压力传感器及变送器
速度及加速度传感器
料/液位计
位移传感器
扭矩传感器
温湿度传感器,变送器
显示控制仪表
记录仪
整列机
测力系统
微粒子检测仪
激光器
流量传感器/开关
陀螺仪
引伸计
频闪仪
变送器/放大器/接线盒
变频器
编码器
试验机
数据采集器
角度传感器
声级计
振动计
多通道分析仪
流量计
电子衡器
实验室设备
水分分析仪
质量流量计
测试分析系统
模块型仪表
静电纺丝机
高速数据采集卡
Tinius Olsen测试设备
试验机
信号调理器
Sirius数据采集系统
切割设备
三维扫描仪
示波器
水听器
功率放大器
安全保持器
温度计监视器
振动增幅器
人像表面温度热像仪
温度检查器
红外线 辐射温度仪
红外多分析仪
FC评价试验装置
电缆
加速度传感器
碳气溶胶组分在线分析系统
黑碳仪
接线盒
显示器
隔离器/转换器
打印机
拧紧机
液氮罐
联系方式
电话:0755-26738591
传真:0755-26998440
邮箱:sales@octsources.com
地址:深圳市南山区虹步路39号大习科创大厦5F
产品类别 > 柱式(筒式)称重传感器 > LCX-10KN 称重传感器
LCX-10KN 称重传感器
LCX-10KN ,LCX-10KN 称重传感器, 日本nts
品牌:日本NTS
类型:称重传感器
型号:LCX-10KN
LCX-5KN, LCX-10KN, LCX-20KN, LCX-30KN, LCX-50KN, LCX-100KN, LCX-200KN, LCX-300KN, LCX-500KN, LCX-1000KN, LCX-2000KN
LCX 系列 - 薄型高精度压缩荷重传感器。
LCX-10KN是一款薄型、高精度、高出力的传感器,构造坚固、安全性高。对于弯曲作动和横向偏荷重有很强的作用效果,并具备疲劳寿命佳等多种特长。
LCX-10KN特点
使用于材料试验机、疲劳试验机、不定方向的荷重试验等用途,可发挥优易特性。
薄型、高精度、高出力。
疲劳寿命长。
弯曲作动和横向荷重有很强的作用效果。
特别订购的内容。
荷重作动部螺牙的变更。
安装相关尺寸的变更。
LCX-10KN规格参数
规格容量 |
5KN~2000KN |
规格输出电压 |
2mV/V±0.25% |
非直线性 |
0.05% R.O. |
磁滞性 |
0.05% R.O. |
重复性 |
0.03% R.O. |
测头移动速度 |
1~1000mm/min |
建议施加电压 |
10V |
容许施加电压 |
18V |
输入/出阻抗 |
350Ω±1% |
绝缘阻抗 |
2000MΩ以上 |
温度补偿范围 |
-10~+70℃ |
容许温度范围 |
-20~+100℃ |
温度零点之影响 |
±0.005%R.O./℃ |
温度对输出之影响 |
±0.005%/℃ |
容许过负荷 |
150%R.C. |
电缆线 |
∮10、4芯隔离线,长3m |

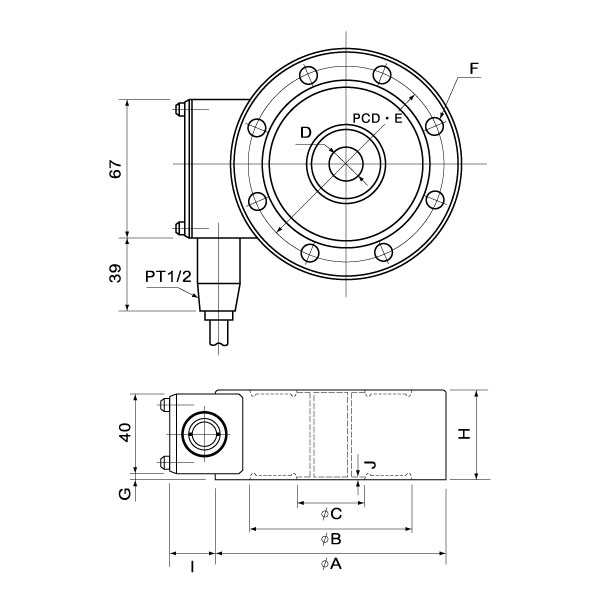
尺寸表
Model. |
Rating capacity |
φA |
φB |
φC |
D(Grade 2 screws) |
E |
F |
G |
H |
I |
J |
mass |
( kg ) |
||||||||||||
LCX-5KN |
5KN |
118 |
82 |
36 |
M18 P1.5 |
100 |
8-φ9 |
3 |
46 |
25 |
1 |
3.2 |
LCX-10KN |
10KN |
118 |
82 |
36 |
M18 P1.5 |
100 |
8-φ9 |
3 |
46 |
25 |
1 |
3.2 |
LCX-20KN |
20KN |
118 |
82 |
36 |
M18 P1.5 |
100 |
8-φ9 |
3 |
46 |
25 |
1 |
3.2 |
LCX-30KN |
30KN |
118 |
82 |
36 |
M18 P1.5 |
100 |
8-φ9 |
3 |
46 |
25 |
1 |
3.2 |
LCX-50KN |
50KN |
118 |
82 |
36 |
M18 P1.5 |
100 |
8-φ9 |
3 |
46 |
25 |
1 |
3.2 |
LCX-100KN |
100KN |
138 |
94 |
48 |
M24 P2 |
116 |
8-φ11 |
5 |
50 |
25 |
1 |
5 |
LCX-200KN |
200KN |
182 |
126 |
76 |
M39 P2 |
154 |
8-φ14 |
10 |
60 |
28 |
1 |
9.65 |
LCX-300KN |
300KN |
182 |
126 |
76 |
M39 P2 |
154 |
8-φ14 |
10 |
70 |
28 |
1 |
12 |
LCX-500KN |
500KN |
226 |
153 |
92 |
M50 P2 |
190 |
12-φ18 |
25 |
90 |
28 |
1 |
21.5 |
LCX-1000KN |
1000KN |
310 |
200 |
138 |
M76 P3 |
256 |
8-φ26 |
35 |
110 |
28 |
2 |
60 |
LCX-2000KN |
2000KN |
370 |
252 |
160 |
M100 P3 |
314 |
12-φ26 |
55 |
150 |
28 |
2 |
95 |
以上是【LCX-10KN】产品详细信息,如果对【称重传感器 LCX-10KN】的价格、厂家、型号、图片有什么疑问,请联系我们获取价格、产品资料、图片、货期、发货方式、技术参数等。