产品类别
称重测力传感器
压力传感器及变送器
速度及加速度传感器
料/液位计
位移传感器
扭矩传感器
温湿度传感器,变送器
显示控制仪表
记录仪
整列机
测力系统
微粒子检测仪
激光器
流量传感器/开关
陀螺仪
引伸计
频闪仪
变送器/放大器/接线盒
变频器
编码器
试验机
数据采集器
角度传感器
声级计
振动计
多通道分析仪
流量计
电子衡器
实验室设备
水分分析仪
质量流量计
测试分析系统
模块型仪表
静电纺丝机
高速数据采集卡
Tinius Olsen测试设备
试验机
信号调理器
Sirius数据采集系统
切割设备
三维扫描仪
示波器
水听器
功率放大器
安全保持器
温度计监视器
振动增幅器
人像表面温度热像仪
温度检查器
红外线 辐射温度仪
红外多分析仪
FC评价试验装置
电缆
加速度传感器
碳气溶胶组分在线分析系统
黑碳仪
接线盒
显示器
隔离器/转换器
打印机
拧紧机
液氮罐
联系方式
电话:0755-26738591
传真:0755-26998440
邮箱:sales@octsources.com
地址:深圳市南山区虹步路39号大习科创大厦5F
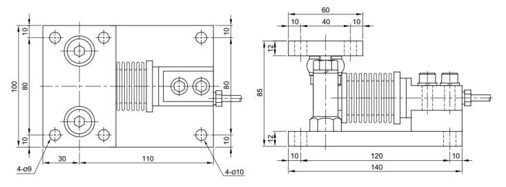
BMA21-20kg称重模块
BMA21-20kg称重模块
品牌:韩国Bongshin
类型:称重模组
型号:BMA21-20kg
- 精确称重自动定心设计
- 自动校验及过载(限位)保护结构
- 全密封不锈钢传感器
- 锈钢或镀锌钢质安装支架
规格
|
型号 |
BMA21,BMA22 |
|
额定量程 (R.C.) |
20,50,100,200,300,500kg |
|
灵敏度R.O. |
2.0mV/V ± 0.3% |
|
非线性 |
≤0.03% R.O. |
|
滞变 |
≤0.02% R.O. |
|
重复性误差 |
≤0.02% R.O. |
|
蠕变误差 |
≤0.03% in 20min. |
|
零点平衡 |
≤5% R.O. |
|
温度补偿范围 |
-10 ~ 70°C |
|
工作温度范围 |
-20 ~ 80°C |
|
温度对额定输出的影响 |
≤0.02% 过载/10°C |
|
温度对零点平衡的影响 |
≤0.02% R.O./10°C |
|
输入阻抗 |
400 Ohms ± 20Ohms |
|
输出阻抗 |
350 Ohms ± 5 Ohms |
|
绝缘电阻 |
2000 MOhms at 50V DC |
|
激励电压 |
10V(推荐), 15V(最大) |
|
电气连接 |
Ø5mmx3m(22AWG x 4芯屏蔽) |
|
防护等级 |
符合 IP 68 |
|
安全过载 |
150% R.C |
|
极限过载 |
300% R.C |









称重传感器 